一、产品介绍
液位变送器是一种直接安装在管道或容器上的现场变送器。由于隔离膜片直接与液相介质相接触,无须将正压侧用导管引出,因此可测量高温、高粘度、易结晶、易沉淀和强腐蚀等介质的液位、压力和密度,然后将其转换成4-20mA·DC 信号输出。
液位变送器有LT型法兰式液位变送器和ST型卫生式液位变送器两种,它们与智能放大板结合,可购成智能型液位变送器,与符合HART协议的手操器配合可以相互通讯,进行设定和监控。

LT型液位变送器采用标准的法兰进行安装联接;ST型卫生式液位变送器采用卡箍的形式进行快速联接。它与介质接触的表面经过精细加工和处理,光洁度和清洁度皆符合卫生标准,内部的灌充液是以不污染介质为标准选取和注入的,因此可以广泛地应用于食品、饮料和医药等工业部门。
二、工作原理
电容式压力、差压变送器主要由实现压力/电容转换的&室敏感部件和将电容转换成二线制4-20mA·DC电子线路板组成。(详见下图)

当过程压力从测量容室的两侧(或一侧)施加到隔离膜片后,经硅油灌充液传至&室的中心膜片上,中心膜片上是一个边缘张紧的膜片,在压力的作用下,产生相应的位移(***大约0.1mm),该位移即形成差动电容变化,并经过电子线路板的调节、振动和放大,转换成二线制4-20mA·DC信号输出,输出电流与过程压力大小成正比。
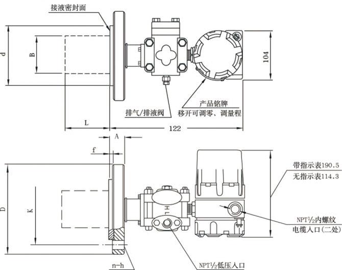
三、安装示意图

四、技术参数与性能
1、输出信号:4-20mA·DC二线制;
2、供电电源;12-45V·DC;
3、电源影响:<0.05%/V;
4、负载影响:电源电压稳定时,无负载影响;
5、迁移特征:***大正迁移量500%,***小负迁移量600%;
● 负迁移量的绝对值,不大于一个工程大气压;
● 迁移后的上限和下限绝对值,均不应超过***大测量范围的上限值;
● 差压流量变送器迁移会破坏开方特性,故不能进行迁移;
● 绝对压力变送器不能进行负迁移;
6、阻尼:通常可在0.2~1.67秒之间可调,当灌充惰性液或带远传装置时,时间常数会增大;
7、启动时间:<2秒,不需预热;
8、防爆类型:防爆型 ExdIIBT4-6 本安型 ExiaII CT5;
9、指示表(%);电流表,标尺长44.5mm,精度±2%,液晶显示表,精度±0.2%;
10、振动影响:任何方向200HZ振动时,±0.005%/g;
11、安装位置:膜片未垂直安装,可产生小于0.24KPa;
12、温度影响:±0.2%;
13、静压影响:±0.5%;
14、精度:0.25%级、0.5%级,1.0%级
15、重量:5.4Kg(不包括附件);
五、电容式差压变送器选型







